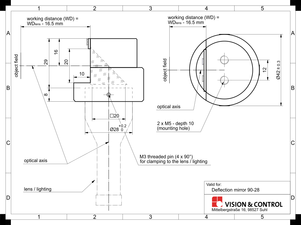
Accessory 90° Deflection - Deflection mirror 90-28
Characteristics
- deflection of the beam path by 90 degrees
- for easy installation in narrow installation conditions
- attachable with locking
- rotary and fixable version
- robust housing, dustproof, ideal for industrial applications
Technical data
| Deflecting element | Half-cube prism |
| Put on diameter | 28 mm |
| Free visual field | 20 mm x 20 mm |
| Shortening of the working distance | 16.5 mm |
| Housing material | Aluminium, black anodised |
| Optical material | Glass |
| Dimensions | Length: 37 mm Diameter: 42 mm |
| Mounting options | 2 x M5 mounting holes |
| Attachment to the lens | 4 Grub screws arranged at 90° angles |
| Weight | 85 g |
| Degree of protection | IP 50 |
| Ambient temperature | - 10°C ... 55°C |
| Can be combined with: | |
| Telecentric optic | TO18 series |
